场效应管 三极管 IGBT知识概括及三者如何使用分析
(一)IGBT
IGBT (Insulated Gate Bipolar Transistor),绝缘栅双极型晶体管,是由晶体三极管和MOS管组成的复合型半导体器件。
IGBT作为新型电子半导体器件,具有输入阻抗高,电压控制功耗低,控制电路简单,耐高压,承受电流大等特性,在各种电子电路中获得极广泛的应用。
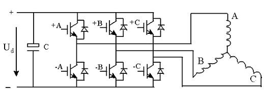
IGBT是电压控制电流,可是说是集成块三极管和场效应管的优点的一种器件,它利用电压来控制PN结,在大电流应用比较广泛,因此比较适合强电开关,强电功率使用,例如变频器、逆变器、电力控制系统等,很多场合以IGBT作为逆变器件,工作电流3000kVA以上,频率达25kHz以上。如下图是直流电机驱动主电路。

(二)场效应管
场效应管主要有两种类型,分别是结型场效应管(JFET)和绝缘栅场效应管(MOS管)。

MOSFET又可分为N沟耗尽型和增强型;P沟耗尽型和增强型四大类。

场效应管是电压控制器件,它是继三极管之后的新一代放大元件,场效应晶体管可分为耗尽型效应晶体管和增强型效应晶体管,同时又有N沟道和P沟耗尽型之分。

场效应管一般用于开关作用,有开关用以及有功率用。特别是电机、开关电源等,应用场合一般都是出现在需要耐压高、耐电流大、频率特性高的时候。

(三)三极管
三极管是一种电流控制体器件,它的主要作用是把微弱信号放大,输入阻抗低,例如在基极b给一个很小的电流Ib,在集电极c上得到一个比较大的电流Ic。
它是电流放大器件,但是在实际时候通常通过一个电阻将三极管的电流放大作用转变为电压放大作用,因此,只要电路参数设置合适,一般输出电压可以比输入电压高很多倍。它有三个工作状态:截止状态、放大状态、饱和状态。三极管一般是弱电中使用,而且出现在开关作用、电流放大作用,例如蜂鸣器驱动、数码管驱动、直流小风扇驱动等方面。
(1)三极管驱动数码管
如果由于单片机I/O口驱动能力有限,可以加三极管扩大驱动电流

(2)三极管驱动蜂鸣器

联系与区别
(1)三极管是电流控制器件、而场效应管和IGBT是电压驱动器件。三极管特点是能够将电流放大,场效应管特点是噪声小、功耗低、没有二次击穿现象等,IGBT特点是高耐压、导通压降低、开关速度快等;
(2)三者都可以作为电子开关用,三极管一般是小型开关、信号放大场合应用,如果对于信号源需要更多的电流时候可以采用三极管,否则就用场效应管,而IGBT更适合于大电流、大电压的电力系统,它是电力电子重要的大功率主流器件之一。


