川土新品 | CA-IS3105W 全集成隔离 DC-DC 转换器
一、基础参数
1
集成高效率的 DC-DC 转换器和片上变压器
-内置软启电路来防止浪涌电流和输出过冲
-过载和短路保护功能
-过热关断保护功能
2
输入电压范围:4.5 V ~ 5.5 V
3
输出电压可选:
-3.3V、 5.0V、 3.7V、 5.4V
-支持在输出端接 LDO
4
输出典型功率:650mW(5V/130mA)
5
温度范围:-40 °C ~ 125 °C
6
优异的隔离性能:
-高达 5 kVRMS?的隔离电压
-浪涌:10KVpk
-高 CMTI:±150 kV/S(典型)
-隔离栅寿命:>40 年
7
封装形式:SOIC16-WB
二、工作原理
反馈系统将输出电压反馈到次边侧的控制系统,产生PWM信号,PWM通过OOK调制将数字控制信号传送到原边侧,原边侧再将PWM信号送入驱动,控制原边功率器件的通断,能量从原边侧流向次边侧,从而使输出信号稳定在预设值。

众所周知,开关电源有几大基本模块,即功率器件模块(MOSFET,BJT等)、磁性元器件(电感,变压器等)、控制单元、驱动模块(驱动功率管开和关)。从上图可以看出,CA-IS3105W在原边和次边侧均有功率模块,因此两侧都必须有驱动单元。两边的功率模块通过变压器隔离。两边功率器件的通断将原边的能量源源不断送到次边侧。一般DCDC已经把功率器件,驱动控制集成在一起,变压器集成在片上的就不多了。
CA-IS3105W将微变压器集成在片内基板上。
因此CA-IS3105W是高度集成化产品。
三、产品性能
软启动
软起动可以有效防止输入电流涌入,保障整个电源系统的安全运行。
下图为软起动波形,整个启动过程大致分为三个阶段:
输入电压还未达到原边侧UVLO,这时候芯片不工作。
当输入信号达到UVLO,但是次边侧还没有达到,此时次边侧电压阶梯式缓慢爬升。
当次边侧电压达到UVLO时,控制电路开始工作,控制环路接管整个控制系统,输出电压快速爬升,直到达到预设值。

输出短路保护
短路保护工作机制大致如下:当检测到输出电压低于短路阈值时,芯片停止工作。
等待4ms后,芯片尝试重新启动。
如果在1ms时间内输出电压没有达到预定电压,此时系统判定短路存在,保护机制继续工作。
如果在1ms时间内输出达到预定电压,此时系统判定短路解除。

输出电压4档可选
通过配置SEL引脚可以输出4种输出电压:
5.4V/3.7V输出电压为LDO提供输入电压,为后接芯片提供低噪音电源。
注意事项:
1>在芯片启动前,需先设定好输出电压,即SEL引脚配置好。
2>SEL引脚不要悬空。
3>在芯片工作过程中,不建议动态改变VISO输出电压。
转换效率
效率曲线如图所示,满载情况下最高效率为54%
转换效率

PCB设计注意事项
1>?在输入VINP和输出VISO处放置至少10μF电容
2>?输入和输出电容靠近芯片引脚摆放,距离<2mm
3>?在中间层加入VINP,VISO铜箔以增加寄生电容
4>?GNDP,GNDS交叠电容以改善EMI
5>?GNDP和GNDS间铜箔注意爬电距,间距>8mm
6>?电源平面构建边缘防护
四、应用场景
PLC应用
CA-IS3105W为隔离电源,可以为各种隔离器供电。
在PLC中,使用了各种数字隔离器,例如川土CA-IS37XX、CA-IS36XX等。

BMS应用
BMS中使用了隔离CAN和隔离I2C,该隔离电源配合CA-IS305X系列产品,形成隔离CAN方案。
川土也提供了集成隔离电源的CAN接口芯片CA-IS3062W。

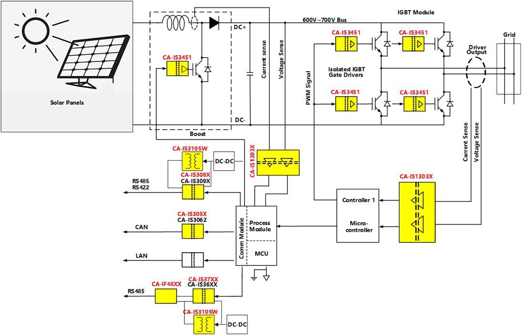
光伏逆变应用
光伏逆变器中使用到了隔离485/422,隔离电流放大器。CA-IS3105W为这些隔离产品提供能量。


编辑:admin 最后修改时间:2022-06-09


